x

Lernauftrag 6: Boolesche Logik

Aufgabe 1

Erinnere dich zurück an die logische Verknüfungen UND bzw. ODER und NICHT.

Notiere dir die Wertetabellen dieser drei Verknüpfungen.

Aufgabe 2: Grundprogramme

Nutze das Flussdiagramm um dir ein Grundprogramm erstmalig zu erstellen. Wir nutzen den Pfad, daß die Easy sich in Raum B203 befinden würde.

Dieses Flussdiagramm nutzt du jedes Mal von Neuem, wenn du ein neues Programm erstellen willst.

Aufgabe 3

Erstelle folgende drei Programme in dem jeweiligen Programmierdialekt:

KOP

FUP

ST
Q01:=I01 AND I02 AND I03;

Verdeutliche dir mithilfe der Simulation in EasySoft, daß alle drei Progrmame dasselbe tun.

Benenne welche boolesche Operation hier umgesetzt wurde und notiere die Wahrheitswertetabelle des Ausgangs H1 mit den Eingangswerten S1, S2, S3 und die Schaltfunktion in Logikalgebra.

Aufgabe 4

Erstelle folgende drei Programme in dem jeweiligen Programmierdialekt:

KOP

FUP

ST
Q01:=I01 OR I02 OR I03;

Verdeutliche dir mithilfe der Simulation in EasySoft, daß alle drei Progrmame dasselbe tun.

Benenne welche boolesche Operation hier umgesetzt wurde und notiere die Wahrheitswertetabelle des Ausgangs H1 mit den Eingangswerten S1, S2, S3 und die Schaltfunktion in Logikalgebra.

Aufgabe 5

Analog zu Punkt- vor Strichrechnung gilt in der Verdrahtungslogik

Reihen- vor Parallelschaltung

Alternativ läßt sich das ausdrücken als UND-vor-ODER.

Erstelle folgende zwei Programme in dem jeweiligen Programmierdialekt:

KOP

FUP

Ermittle mithilfe der Simulation die Wahrheitswertetabelle des Ausgangs H1 mit den Eingangswerten S1, S2, S3 und notiere die Schaltfunktion in Logikalgebra.

Fortgeschritten: Nachdem du die Schaltfunktion gefunden hast, erstelle das Programm erneut in strukturiertem Text (ST).

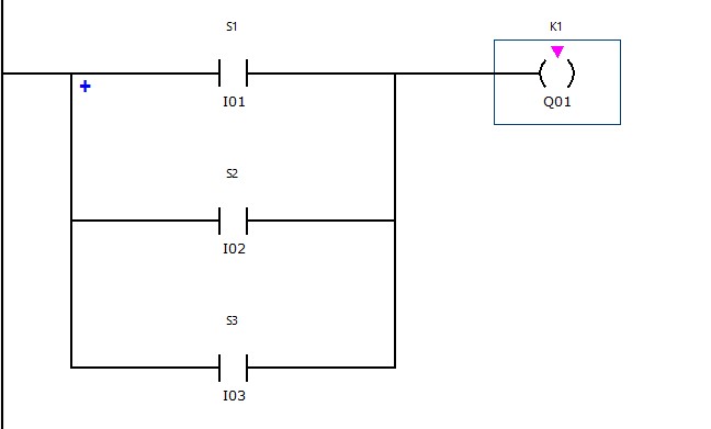
Aufgabe 6

Wird ein ODER vor einem UND gebraucht, so benötigt man Klammern.

Erstelle folgende zwei Programme in dem jeweiligen Programmierdialekt:

KOP

FUP

Ermittle mithilfe der Simulation die Wahrheitswertetabelle des Ausgangs H1 mit den Eingangswerten S1, S2, S3 und notiere die Schaltfunktion in Logikalgebra.

Fortgeschritten: Nachdem du die Schaltfunktion gefunden hast, erstelle das Programm erneut in strukturiertem Text (ST).

Aufgabe 7

Setze dieses Programm in KOP um.
Entwickle ein Programm in FUP, welches dieselbe Funktion erfüllt.
Fortgeschritten: Schreibe das Programm in strukturiertem Text (ST)

Aufgabe 8

Setze dieses Programm in KOP um.
Entwickle ein Programm in FUP, welches dieselbe Funktion erfüllt.
Fortgeschritten: Schreibe das Programm in strukturiertem Text (ST)

Aufgabe 9

Setze dieses Programm in FUP um.
Entwickle ein Programm in KOP, welches dieselbe Funktion erfüllt.
Fortgeschritten: Schreibe das Programm in strukturiertem Text (ST)

Aufgabe 10

Setze dieses Programm in FUP um.
Entwickle ein Programm in KOP, welches dieselbe Funktion erfüllt.
Fortgeschritten: Schreibe das Programm in strukturiertem Text (ST)

Hier geht's weiter zum nächsten Lernauftrag.

Left-click: follow link, Right-click: select node, Scroll: zoom
x